Skip to main content

Simple to Specify Clamp icon Easy to Order Clamp icon Rapid to Assemble

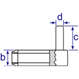
140 - Gate Hinge Pin

Often used with type 138 to form gate hinges. The tube cannot be joined within the fitting.

Dane i wymiary produktu

Rozmiar a (mm) b (mm) c (mm) d (mm) Waga (kg) Box Qty* Part No
  A27   30   25.5   38   12   0.25   200   140-A27
  B34   33   25.5   38   12   0.28   180   140-B34
  C42   38   25   38   12   0.29   150   140-C42
  D48   41   25   38   12   0.30   120   140-D48

* Fittings are sold individually and do not need to be bought in box quantities. Box quantities may be subject to change without prior notice.

Figures given as guidance only, dimensions and weights are subject to manfacturing tolerances and may be altered without prior notice.

Do not perform any pre-drilling, tube cutting, casting uprights or any other dimensionally critical processes prior to receiving fittings.

Related Products

Dowiedz się więcej o tym, w jaki sposób ta witryna wykorzystuje pliki cookie, aby poprawić komfort przeglądania stron. Dowiedz się więcej