Skip to main content

Simple to Specify Clamp icon Easy to Order Clamp icon Rapid to Assemble

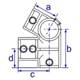
185 - Eaves Fitting (27½°)

Usually used to form roof structures in conjunction with type 191, with an angle of 27½°. The horizontal eaves tube running longitudinally with the roof may be joined within the fitting (there are two setscrews acting on this tube, which are obscured in the photo).

Dane i wymiary produktu

Rozmiar a (mm) b (mm) c (mm) d (mm) Waga (kg) Box Qty* Part No
  D48   68   90   84   39   1.60   10   185-D48

* Fittings are sold individually and do not need to be bought in box quantities. Box quantities may be subject to change without prior notice.

Figures given as guidance only, dimensions and weights are subject to manfacturing tolerances and may be altered without prior notice.

Do not perform any pre-drilling, tube cutting, casting uprights or any other dimensionally critical processes prior to receiving fittings.

Related Products

Dowiedz się więcej o tym, w jaki sposób ta witryna wykorzystuje pliki cookie, aby poprawić komfort przeglądania stron. Dowiedz się więcej