
182 - Hook (Self Colour)
Usually used where chains need to be easily removed for access. The tube cannot be joined within the fitting.
This is not recommended as a permanent chain location, for permanent chain locations one end should be retained in place using a 173M fitting and fixed with a nut and bolt.
Please note that these fittings are bare metal and will be naturally prone to rusting unless a protective coating such as a lacquer is applied.
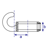
Product Data & Dimensions
Size | a (mm) | b (mm) | Weight (kg) | Box Qty* |
B34 | 34 | 25 | 0.19 | 225 |
* Fittings are sold individually and do not need to be bought in box quantities. Box quantities may be subject to change without prior notice.
Figures given as guidance only, dimensions and weights are subject to manfacturing tolerances and may be altered without prior notice.
Do not perform any pre-drilling, tube cutting, casting uprights or any other dimensionally critical processes prior to receiving fittings.