Skip to main content

Simple to Specify Clamp icon Easy to Order Clamp icon Rapid to Assemble

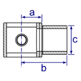
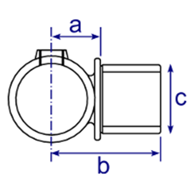
147 - Internal Swivel Tee

A versatile fitting, often used on slopes and staircases where the angle either varies or is unknown, and/or where there is a requirement for rails to be offset from uprights. Most commonly used with types 101 and 125 to mount sloping rails onto vertical uprights. The tube cannot be joined within the fitting.

Dane i wymiary produktu

Rozmiar a (mm) b (mm) c (mm) Waga (kg) Box Qty* Part No
  B34   22   60   34   0.32   96   147-B34
  C42   26   62.5   42   0.46   60   147-C42
  D48   30   72.5   48   0.56   50   147-D48

* Fittings are sold individually and do not need to be bought in box quantities. Box quantities may be subject to change without prior notice.

Figures given as guidance only, dimensions and weights are subject to manfacturing tolerances and may be altered without prior notice.

Do not perform any pre-drilling, tube cutting, casting uprights or any other dimensionally critical processes prior to receiving fittings.

Related Products

Dowiedz się więcej o tym, w jaki sposób ta witryna wykorzystuje pliki cookie, aby poprawić komfort przeglądania stron. Dowiedz się więcej