Skip to main content

Simple to Specify Clamp icon Easy to Order Clamp icon Rapid to Assemble

173 - Single Swivel Combination

A versatile swivel fitting, useful for awkward applications where angles cannot be accommodated by adjustable angle fittings. The through tube (sloping in photo) cannot be joined within the fitting. The assembly is riveted together, although items can be supplied separately as 173M and173F.

Warning: To provide sufficient stability, whole structures must not be made from swivel fittings alone.

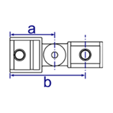
Dane i wymiary produktu

Rozmiar a (mm) b (mm) Waga (kg) Box Qty* Part No
  A27   61   106   0.49   75   173-A27
  B34   61   104.5   0.64   64   173-B34
  C42   69   117   0.79   42   173-C42
  D48   77   130   0.89   26   173-D48
  E60   89   152   1.33   18   173-E60

* Fittings are sold individually and do not need to be bought in box quantities. Box quantities may be subject to change without prior notice.

Figures given as guidance only, dimensions and weights are subject to manfacturing tolerances and may be altered without prior notice.

Do not perform any pre-drilling, tube cutting, casting uprights or any other dimensionally critical processes prior to receiving fittings.

Dowiedz się więcej o tym, w jaki sposób ta witryna wykorzystuje pliki cookie, aby poprawić komfort przeglądania stron. Dowiedz się więcej